Wiring diagrams
Notes, tables, wire colours and key to wiring diagrams. Models up to 1987
Notes, tables, wire colours and key to wiring diagrams. Models up to 1987
Key to wiring diagrams (continued). Models up to 1987
Key to wiring diagrams (continued). Models up to 1987
Internal connection details. Models up to 1987
Internal connection details. Models up to 1987
Internal connection details (continued). Models up to 1987
Internal connection details (continued). Models up to 1987
Diagram 1. Starting, charging and ignition (except fuel injection). Models up to 1987
Diagram 1. Starting, charging and ignition (except fuel injection). Models up to
1987
Diagram 2. Exterior lighting. Models up to 1987
Diagram 2. Exterior lighting. Models up to 1987
Diagram 2a. Interior lighting. Models up to 1987
Diagram 2a. Interior lighting. Models up to 1987
Diagram 3. Ancillary circuits (low series). Models up to 1987
Diagram 3. Ancillary circuits (low series). Models up to 1987
Diagram 3a. Additional ancillary circuits (high series only). Models up to 1987
Diagram 3a. Additional ancillary circuits (high series only). Models up to 1987
Diagram 4. Auxiliary warning system. Models up to 1987
Diagram 4. Auxiliary warning system. Models up to 1987
Diagram 4a. Graphic display system and fuel computer. Models up to 1987
Diagram 4a. Graphic display system and fuel computer. Models up to 1987
Notes, tables, wire colours and key to symbols on wiring diagrams. Models from 1987 to May 1989
Notes, tables, wire colours and key to symbols on wiring diagrams. Models from
1987 to May 1989
Key to wiring diagrams. Models from 1987 to May 1989
Key to wiring diagrams. Models from 1987 to May 1989
Key to wiring diagrams (continued). Models from 1987 to May 1989
Key to wiring diagrams (continued). Models from 1987 to May 1989
Internal connection details. Models from 1987 to May 1989
Internal connection details. Models from 1987 to May 1989
Internal connection details (continued). Models from 1987 to May 1989
Internal connection details (continued). Models from 1987 to May 1989
Diagram 1. Starting, charging and warning lamps. Models from May 1987 to May 1989
Diagram 1. Starting, charging and warning lamps. Models from May 1987 to May
1989
Diagram 1a. Ignition variations. Carburettor models from 1987 to May 1989
Diagram 1a. Ignition variations. Carburettor models from 1987 to May 1989
Diagram 2. Exterior lighting - head/sidelamps. Models from 1987 to May 1989
Diagram 2. Exterior lighting - head/sidelamps. Models from 1987 to May 1989
Diagram 2a. Exterior lighting - signal warning lamps. Models from 1987 to May 1989
Diagram 2a. Exterior lighting - signal warning lamps. Models from 1987 to May
1989
Diagram 2b. Interior lighting. Models from 1987 to May 1989
Diagram 2b. Interior lighting. Models from 1987 to May 1989
Diagram 3. Ancillary circuits - horn, heater blower, heated mirrors and screens. Models from 1987 to May 1989
Diagram 3. Ancillary circuits - horn, heater blower, heated mirrors and screens.
Models from 1987 to May 1989
Diagram 3a. Ancillary circuits - wash/wipe, central locking and electric windows. Models from 1987 to May 1989
Diagram 3a. Ancillary circuits - wash/wipe, central locking and electric
windows. Models from 1987 to May 1989
Diagram 3b. Anti-lock braking system. Models from 1987 to May 1989
Diagram 3b. Anti-lock braking system. Models from 1987 to May 1989
Diagram 3c. Graphic display system - bulb failure. Models from 1987 to May 1989
Diagram 3c. Graphic display system - bulb failure. Models from 1987 to May 1989
Diagram 3d. Graphic display system - auxiliary warning, door ajar and fuel computer. Models from 1987 to May 1989
Diagram 3d. Graphic display system - auxiliary warning, door ajar and fuel
computer. Models from 1987 to May 1989
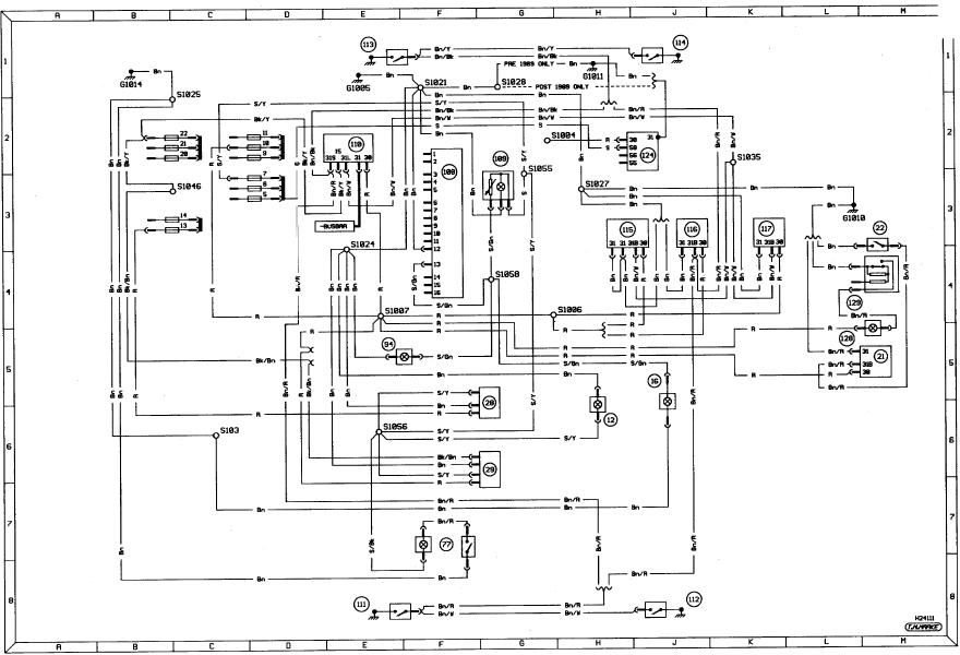
Diagram 4. 2.0 Efi fuel injection and ignition. Models from 1987 to May 1989
Diagram 4. 2.0 Efi fuel injection and ignition. Models from 1987 to May 1989
Diagram 5. In-car entertainment. Models from 1987 to May 1989
Diagram 5. In-car entertainment. Models from 1987 to May 1989
Notes, tables, wire colours and key to symbols on wiring diagrams. Models from 1990 onwards
Notes, tables, wire colours and key to symbols on wiring diagrams. Models from
1990 onwards
Key to wiring diagrams. Models from 1990 onwards
Key to wiring diagrams. Models from 1990 onwards
Key to wiring diagrams (continued). Models from 1990 onwards
Key to wiring diagrams (continued). Models from 1990 onwards
Internal connection details. Models from 1990 onwards
Internal connection details. Models from 1990 onwards
Diagram 1. Starting, charging automatic transmission and warning lamps. Models from 1990 onwards
Diagram 1. Starting, charging automatic transmission and warning lamps. Models
from 1990 onwards
Diagram 1a. Ignition system for all carburettor models. Models from 1990 onwards
Diagram 1a. Ignition system for all carburettor models. Models from 1990 onwards
Diagram 2. Exterior lighting - head/sidelamps. Models from 1990 onwards
Diagram 2. Exterior lighting - head/sidelamps. Models from 1990 onwards
Diagram 2a. Exterior lighting - signal warning lamps. Models from 1990 onwards
Diagram 2a. Exterior lighting - signal warning lamps. Models from 1990 onwards
Diagram 2b. Interior lighting. Models from 1990 onwards
Diagram 2b. Interior lighting. Models from 1990 onwards
Diagram 3. Ancillary circuits - horn, heater blower, heated mirrors and screens. Models from 1990 onwards
Diagram 3. Ancillary circuits - horn, heater blower, heated mirrors and screens.
Models from 1990 onwards
Diagram 3a. Ancillary circuits - wash/wipe, central locking and electric windows. Models from 1990 onwards
Diagram 3a. Ancillary circuits - wash/wipe, central locking and electric
windows. Models from 1990 onwards
Diagram 3b. Anti-lock braking system. Models from 1990 onwards
Diagram 3b. Anti-lock braking system. Models from 1990 onwards
Diagram 3c. Graphic display system - bulb failure. Models from 1990 onwards
Diagram 3c. Graphic display system - bulb failure. Models from 1990 onwards
Diagram 3d. Graphic display system - auxiliary warning, door ajar and fuel computer. Models from 1990 onwards
Diagram 3d. Graphic display system - auxiliary warning, door ajar and fuel
computer. Models from 1990 onwards
Diagram 4. 1.6 and 1.8 CVH engine CfI fuel injection and ignition systems. Models from 1990 onwards
Diagram 4. 1.6 and 1.8 CVH engine CfI fuel injection and ignition systems.
Models from 1990 onwards
Diagram 4a. 2.0 litre DOHC engine EFI fuel injection and ignition systems. Models from 1990 onwards
Diagram 4a. 2.0 litre DOHC engine EFI fuel injection and ignition systems.
Models from 1990 onwards
Diagram 5. In-car entertainment. Models from 1990 onwards
Diagram 5. In-car entertainment. Models from 1990 onwards
Diagram 5a. Anti-theft alarm. Models from 1990 onwards
Diagram 5a. Anti-theft alarm. Models from 1990 onwards
Notes, tables, wire colours and key to wiring diagrams. P100 models from 1988 onwards
Notes, tables, wire colours and key to wiring diagrams. P100 models from 1988
onwards
Internal connection details. P100 models from 1988 onwards
Internal connection details. P100 models from 1988 onwards
Diagram 1. Starting, charging and ignition. P100 models from 1988 onwards
Diagram 1. Starting, charging and ignition. P100 models from 1988 onwards
Diagram 2. Exterior lighting. P100 models from 1988 onwards
Diagram 2. Exterior lighting. P100 models from 1988 onwards
Diagram 3. Ancillary circuits and interior lighting. P100 model from 1988 onwards
Diagram 3. Ancillary circuits and interior lighting. P100 model from 1988
onwards
See also:
Throttle Position Sensor (TPS) - removal and refitting
Removal
1 Disconnect the battery negative lead.
2 Unclip and disconnect the sensor wiring
plug.
3 Remove the two securing screws, and
withdraw the sensor from the throttle valve
shaft (see illus ...
Ignition system component check (Every 24 000 miles (40 000 km) or 2 years)
1 Before disturbing any part of the ignition
system, disconnect the battery negative lead.
2 Identify and clearly mark all HT leads before
disconnecting them from the spark plugs.
3 Refer to the a ...
Engine/automatic transmission assembly - removal and separation
Note: A suitable hoist and lifting tackle will be
required for this operation. Any suspected
faults in the automatic transmission should be
referred to a Ford dealer or automatic
transmission spec ...
